Двигатель с регулируемой скоростью
Электродвигатели с вихревым током, обычно называемые двигателями ECC в Японии, долгое время были основой в промышленности. Простота эксплуатации, простота обслуживания и сверхмощная конструкция отвечают за их прочную популярность даже сегодня, главным образом в приложениях для насосов и прессов.
Применение: пресс-машины, насосы, конвейеры, экструдеры, приёмно-намоточная машина, питатели, воздуходувки, вентиляторы.
Почему многие заводы до сих пор используют ECC- Motors, хотя VFDs сейчас становятся все более и более популярными?
Приемлемая цена. Энергоэффективность неочень высока, но стоимость установки и обслуживания низкая. Если вам необходим двигатель для длительного использования, ECC-Motors будут самым лучшим выбором.
Простота использования. Конструкция и система управления ECC-Motor очень проста. Установка, управление и настройка или обслуживание данного двигателя очень просты.
Прочность и долговечность. Эта самая веская причина почему заводы все еще используют данные двигатели. Некоторые из наших продуктов работают в течение 20-30 лет.Заводы ценят надёжность наших двигателей.
С 1953 ECC-Motors производится в Японии. Благодаря своей прочности и надёжности продукция до сих пор эксплуатируются на многих заводах.
Преимущества
- Прочность и долговечность. Наши ECC-Motors созданы для длительной эксплуатации в тяжёлых условиях. Нектороые из наших двигателей были произведены 20-30 лет назад и используются до сих пор.
- Простота установки и использования. ECC-Motor не требует сложной системы управления. Вы можете начать использовать этот механизм с помощью контроллера и оператора. Способ работы включает контроль скорости, который также очень прост. Вы можете достичь требуемой скорости очень просто.
- Простота обслуживания.
- Дизайн ECC-Motor очень прост.
- Не используются щетки или контактные кольца. Все подшипники имеют уплотнение из смазки.
- И не требуют постоянного обслуживания.
Сравнение ECC-Motors и VFDs (частотно-регулируемых приводов)
| Пункты | ECC-MOTORS | VFDs |
|---|---|---|
| Первоначальная стоимость | Низкая Требуются только оператор и контроллер | Высокая: Вам необходимы инверторы, реакторы, фильтры шума и т.д. |
| Начальные настройки | Очень простые | Сложные |
| Cмена скорости | Грубая настройка | Высокоточная |
| Управление | Только вручную | Автоматическое, ручное и т.д. |
| Энергоэффективность | Значительная при работе на низких скоростях | Высокая |
| Стоимость обслуживания | Низкая Требуется замена подшипников | Высокая: Требуется замена инверторов раз в десять лет |
| Условия | Устойчивость при работе в тяжелых условиях: пыль, влажность и т.д. | Подвержены влиянию плохих условий |
| Конструкция | Простая и надёжная | Высокоточный прибор |
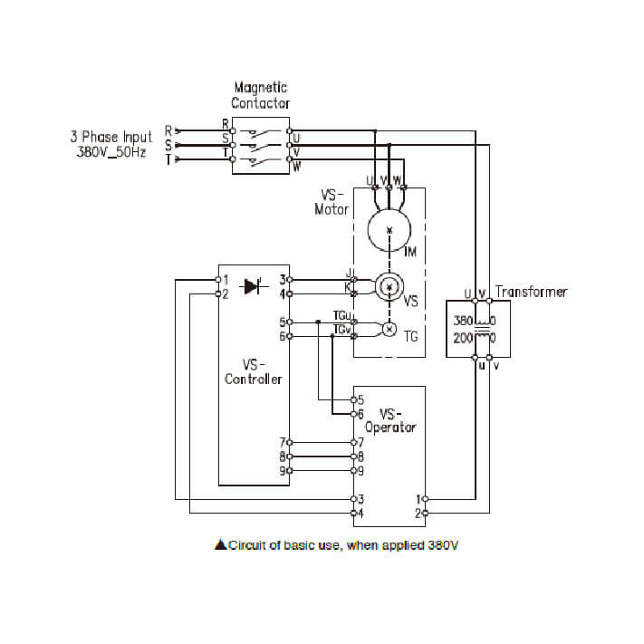
Контроллеры и операторы
Для использования ECC-Motors необходим контроллер и оператор. На чертеже справа изображён контур базового использования. Вы можете управлять частотой вращения выходного вала ECC-Motor с помощью манипулирования оператором. Оператор посылает электрический сигнал контроллеру, а контроллер подстраивает напряжение катушки возбуждения к скорости двигателя.