Базовая модель
Особенности:
- Эффективно сушит гранулированное сырье в вибрирующем псевдоожиженном слое.
- Регулируемое время удерживания с помощью демпфера на псевдоожиженном слое
- Разгрузка продуктов при низкой температуре через специальную зону охлаждения.
Сфера применения:
- Процесс сушки приправленных сухих продуктов, приправ, пищевых добавок, специй, фармацевтических продуктов, кормов для домашних животных, удобрений и общих химических товаров.
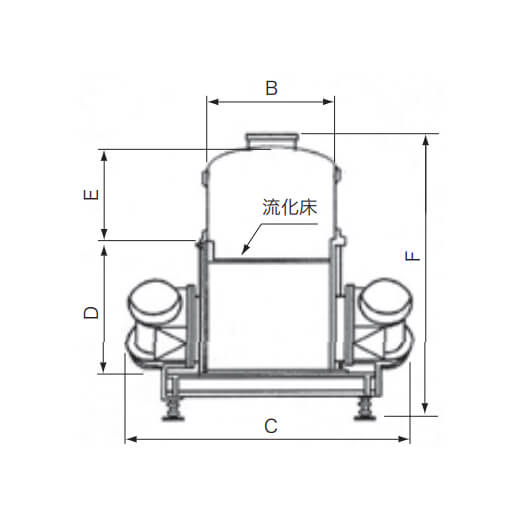
Единица измерения, мм
| Модель | A | B | C | D | E | F |
|---|---|---|---|---|---|---|
| AVFD300 | 2500 | 300 | 500 | 400 | 400 | 1000 |
| AVFD600 | 3000 | 600 | 800 | 500 | 500 | 1400 |
| AVFD900 | 4000 | 900 | 1200 | 700 | 700 | 1900 |
| AVFD1200 | 5000 | 1200 | 1600 | 800 | 750 | 2100 |
| AVFD1500 | 6000 | 1500 | 1900 | 800 | 800 | 2200 |
| AVFD1800 | 7000 | 1800 | 2400 | 1000 | 1050 | 2850 |
Возможно изготовление по индивидуальному дизайну и запросу в соответствии с требованиями на конкретной площадке. Для получения более подробной информации, пожалуйста, свяжитесь с нами. Мы предоставляем AVFD150 × 1500 L в качестве испытательной машины. Вышеуказанные размеры могут быть изменены без предварительного уведомления.