Санитарного типа
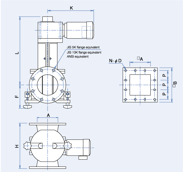
- Тип фланца: SM (круглый) и SA (прямоугольный)
- Диаметр: 80…300 мм
- Материал корпуса: FC/SS (чугун с хлопьевидным графитом/конструкционная сталь), SCS/SUS (нержавеющая сталь), AC/AL (алюминий)
- Тип ротора: Открытого типа (без замыкающего диска), с замыкающим диском, полиуретановый ротор, одиночный винтовой, двухвинтовой, с пониженной производительностью, с закругленным дном, карманного типа
- Материал ротора: FC/SS, SCS/SUS, уретан, неопрен, алюминий, пластмасса, т.д.
Слева на картинках: тромбонного типа (выдвижной), продувочного типа санитарного исполнения, легковесного типа
Особенности:
- Быстрая и простая разборка и сборка позволяет сократить время очистки
- Широкий ассортимент продукции: от 80 до 300 мм в диаметре
- Круглые и прямоугольные фланцы для клапана каждого размера
- Стандартный тип напрямую соединен с мотор-редуктором (также тип с цепной передачей)
- Уникальные характеристики, основанные на богатом опыте
- Произведено более 5 000 клапанов
- Соответствует GMP, HACCP, и CIP

Другие модели (типы) и размеры (тип фланца, JIS5K/10K, уплотнительное кольцо, прямоугольный тип, т.д.) возможно уточнить по запросу. Материалы могут быть заменены на нержавеющую сталь SUS304, литую сталь, алюминий и т.д. – по запросу. Опция «М» - заменяется на «А» при заказе клапана с прямоугольного типа фланцем. (SA-000)

