Санитарный тип
Новейшая опция для самой продаваемой модели.
Особенности:
- Разработанный двойной ленточный смеситель.
- Корпус без прокладки.
- Структура уплотнения вала в зависимости от условий эксплуатации.
- GMP опция по запросу.
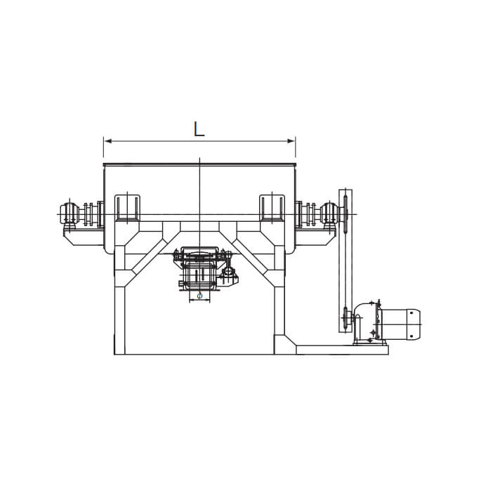
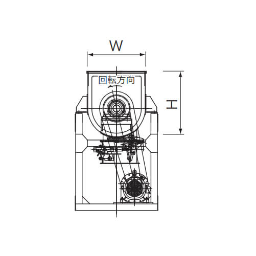
| Модель | Эффекивная емкость, л | Мощность, кВт | Скорость вращения, об/мин | Диаметр выпуска, Ø мм | Длина, мм | Ширина, мм | Высота, мм |
|---|---|---|---|---|---|---|---|
| ARM- | 60 | 0.75 | 70 | 100 | 700 | 330 | 430 |
| 100 | 1.5 | 64 | 100 | 900 | 380 | 480 | |
| 200 | 2.2 | 32 | 150 | 1000 | 500 | 600 | |
| 300 | 3.7 | 40 | 150 | 1200 | 560 | 670 | |
| 500 | 5.5 | 34 | 150 | 1450 | 670 | 850 | |
| 800 | 7.5 | 29 | 200 | 1600 | 800 | 1000 | |
| 1000 | 7.5 | 25 | 200 | 1800 | 900 | 1100 | |
| 1500 | 11 | 24 | 300 | 2150 | 950 | 1150 | |
| 2000 | 15 | 23 | 300 | 2550 | 1000 | 1200 | |
| 3000 | 22 | 19 | 300 | 2550 | 1250 | 1450 | |
| 4000 | 37 | 17 | 300 | 2800 | 1350 | 1600 | |
| 5000 | 45 | 16 | 300 | 3200 | 1450 | 1750 |